公司简介
﹥
公司资质
发展历程
搪玻璃设备
非标设备
环保设备
成套设备
甲醛成套技术
乙醛成套技术
甲酸成套技术
多效蒸发成套技术
企业风貌
产品发运
联系方式
在线咨询
products
产品类别
Category
反应设备
搅拌反应釜由搅拌容器和搅拌机组成,在运行中两者共同完成介质的悬浮、分散、乳化、 混匀、溶解、吸收、萃取、化学反应以及传热等的物理、化学过程的设备。搅拌反应釜 根据其可拆性一般分为:开式(有设备法兰)、闭式。
闭式不锈钢反应釜
闭式外盘管不锈钢反应罐
带内盘管不锈钢反应釜
开式不锈钢反应罐
蒸馏结晶槽
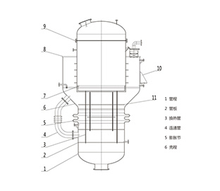
甲醛反应器
扫一扫
浏览我司移动平台
关于天建
新闻动态
产品中心
销售业绩
生产中心
联系我们
江苏鑫科天建化工设备制造有限公司 版权所有(C)2024 网络支持 著作权声明 网站地图